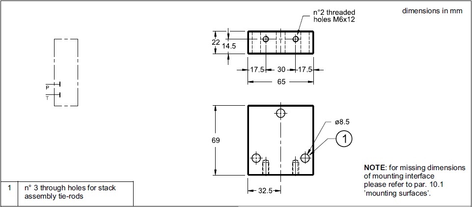
Plaque de fermeture distributeur empilable compact
Référence Hydrokit : DUF3P0000000
Informations techniques
Plaque de fermeture BD3

Caractéristiques techniques
| Type de composants | Plaque de fermeture |

| Type de composants | Plaque de fermeture |