Plaque de fermeture distributeur empilable compact - avec P&T
Référence Hydrokit : DUF3PT000000
Ce produit est remplacé par :
Plaque de fermeture avec sorties P&T G3/8 - 35L/min - 250 bar - Série ED ( PFEDPT01R )
Informations techniques
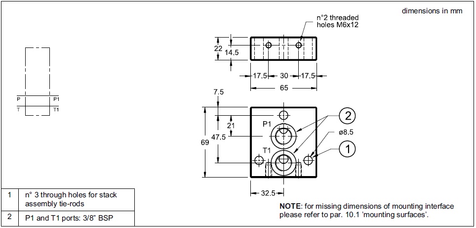
Plaque de fermeture BD3
P & T traversant G3/8
P & T traversant G3/8

Caractéristiques techniques
| Type de composants | Plaque de fermeture |