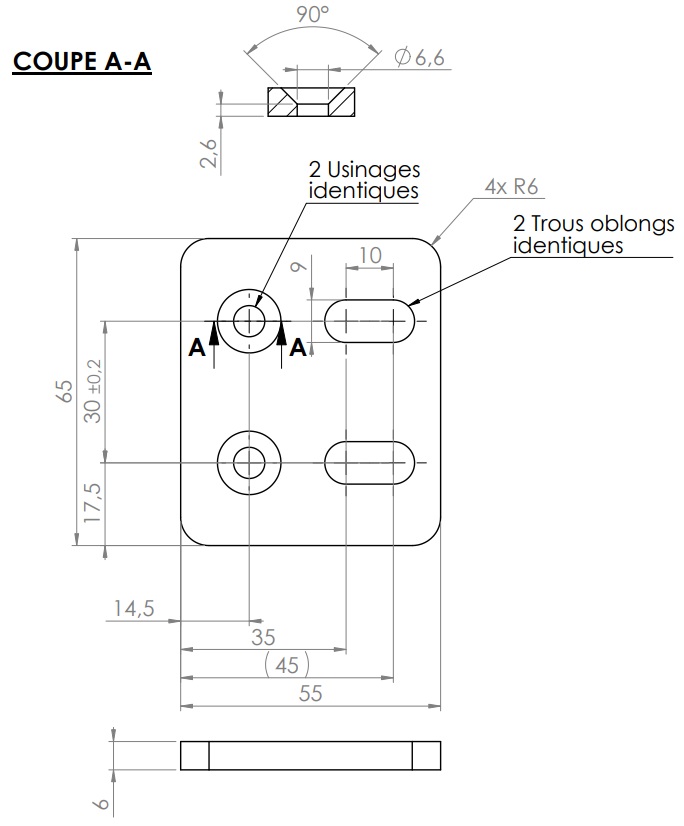
KIT SUPPORT FIXATION DISTRI Ø8MM
Referencia Hydrokit : DUFIX0000002
Información técnica

Características técnicas
| Tipo de componentes | Support de fixation |

| Tipo de componentes | Support de fixation |