Clapet anti-retour sur A&B pour section distributeur empilable série BDL3-BDM3-BDS3
Référence Hydrokit : DUCAMBD3AB01
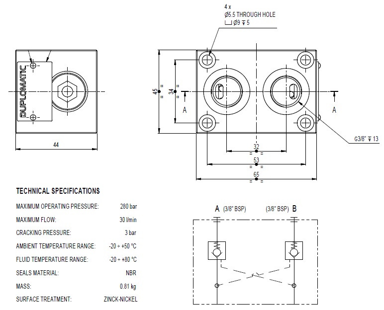
Informations techniques
Clapet anti-retour sur A&B
Pour distributeur Duplomatic BD3 série 10 (BDL3 - BDM3 - BDS3)
Fixation par 4 vis M5 entraxe 34x53
Taraudage A&B : G3/8
Epaisseur : 45mm
Pour distributeur Duplomatic BD3 série 10 (BDL3 - BDM3 - BDS3)
Fixation par 4 vis M5 entraxe 34x53
Taraudage A&B : G3/8
Epaisseur : 45mm

Caractéristiques techniques
| Type de composants | Bloc modulaire flasquable |