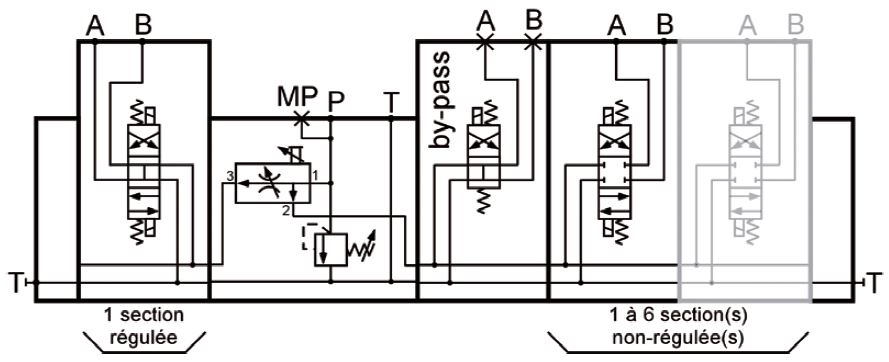
Distributeur empilable 40L diviseur manuel + 1 fct régulée + 3 fct résiduelles
Référence Hydrokit : DHEE04040COM11
Informations techniques
- avec limiteur de pression - centre ouvert avec by-pass
débit maxi : 40L/min
pression maxi 210 bar
contre pression sur T : 210 bar max
avec boitier de commande cablé 12V - alim 2m - commande 4m
> possibilité de piloter ou non le by-pass pour chaque fonction
P,T : G1/2
A,B : G3/8
Montage sur véhicule automoteur et centrale hydraulique avec un encombrement réduit. Les + produit : Caractéristiques techniques : - Implantations :
Commande vérin simple effet, double effet et de moteur hydraulique.
- Distributeur compact (hauteur mini de 96 mm).
- Pratique : débit prioritaire à commande électrique ou commande manuelle.
- Modulable : le rajout de fonctions est possible (maxi 8 sections).
- Très bon rapport qualité prix.
- Hydraulique :
- Électrique :
|
Nombre de fonctions double effet |
Dimensions du distributeur (L x l x h) - en mm |
|
1fonc régulée + 3 fonc résiduelles |
395 x 244.5 x 96 |
|
|
Section parallèle |
Diviseur |
By-pass |
|
Débit |
40 l/min |
Sur P : 40 l/min |
Sur P : 40l/min |
|
Pression maxi P, A et B |
350 bar |
210 bar |
350 bar |
|
Pression max T |
210 bar |
210 bar |
210 bar |
|
Température |
-20 à +70°C |
-20 à +70°C |
-20 à +70°C |
|
Viscosité |
15 à 380 mm²/s |
15 à 380 mm²/s |
15 à 380 mm²/s |
|
Filtration (NAS1638) |
8 |
8 |
8 |
|
Tension en continu |
12 volts |
|
Puissance |
36 watts |
|
Fréquence |
15000/heure |
|
Température ambiante |
Jusqu'à +50°C |
|
Température bobine |
Jusqu'à +180°C |
|
Facteur de marche |
1 |
|
Entrée |
P et T |
G1/2 |
|
Entrée |
MP |
G1/4 |
|
Section |
A et B |
G3/8 |
|
Sortie |
T |
G1/2 |
Caractéristiques techniques
| Type de circuit hydraulique | CO - Circuit Ouvert | ||
| Débit maxi | 40 | l/min | |
| Pression maxi d'utilisation | 210 | bar | |
| Nombre de section(s) | 4 | ||
| Type(s) Tiroir(s) | 1DE REG M + 3DE + BP + LP | ||
| Type(s) de commande(s) | Commande Electrique 12vcc | ||
| Tension | 12 VCC | Volt | |
| Implantation orifice P | G1/2 | ||
| Implantation orifices A&B et/ou R | G3/8 | ||
| Implantation orifice T | G1/2 | ||
| Implantation orifice CS | sans | ||
| Boîtier Électrique | Avec |