Distributeur Monobloc Manuel 70L - 1 élément
Référence Hydrokit : DMO070CWO
Informations techniques
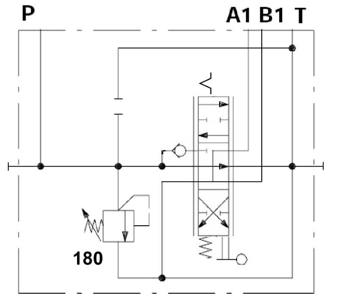
un double effet - neutre A&B->T
CRANTAGE SUR A ET B
CRANTAGE SUR A ET B

Caractéristiques techniques
| Type de circuit hydraulique | CO - Circuit Ouvert | ||
| Débit maxi | 70 | l/min | |
| Pression maxi d'utilisation | 315 | bar | |
| Nombre de section(s) | 1 | ||
| Type(s) Tiroir(s) | 1DE A&B>T cranté 2 sens | ||
| Type(s) de commande(s) | Commande Manuelle | ||
| Implantation orifice P | G1/2 | ||
| Implantation orifices A&B et/ou R | G1/2 | ||
| Implantation orifice T | G3/4 | ||
| Implantation orifice CS | sans | ||
| Implantation Pilotage A&B | sans |