cloche pour commande electrique ON/OFF
Référence Hydrokit : CL045E
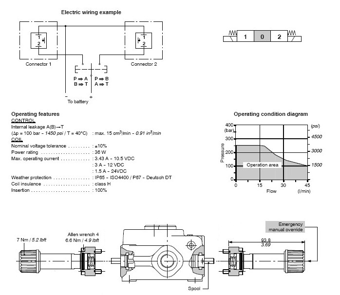
Informations techniques
2 noyaux de commande - ON / OFF
sans bobine - avec commande de secours en bout de noyau
compatible avec tiroir T045xE (Débit max fct de la pression)
sans bobine - avec commande de secours en bout de noyau
compatible avec tiroir T045xE (Débit max fct de la pression)
