Distributeur Monobloc Manuel 45L - 1 élément - 2 positions intercep - G1/2
Référence Hydrokit : DMO045RON01
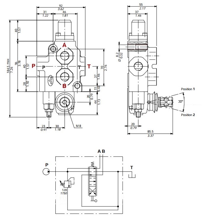
Informations techniques
Débit nominal : 45L/min
Pression maxi : 250 bar (retour 25bar)
Limiteur de pression réglable de 63 à 200bar (réglé 120bar usine)
implantation G1/2
2 Positions - recouvrement négatif
schéma A & B fermé position centrale en transition
P>A au repos en position 1 avec ressort de rappel
P>B en position 2
Levier standard
Pression maxi : 250 bar (retour 25bar)
Limiteur de pression réglable de 63 à 200bar (réglé 120bar usine)
implantation G1/2
2 Positions - recouvrement négatif
schéma A & B fermé position centrale en transition
P>A au repos en position 1 avec ressort de rappel
P>B en position 2
Levier standard
utilisation distributeur intercep

Caractéristiques techniques
| Type de circuit hydraulique | CO - Circuit Ouvert | ||
| Débit maxi | 45 | l/min | |
| Pression maxi d'utilisation | 315 | bar | |
| Nombre de section(s) | 1 | ||
| Type(s) Tiroir(s) | Tiroir Spé Intercep | ||
| Type(s) de commande(s) | Commande Manuelle | ||
| Implantation orifice P | G3/8 | ||
| Implantation orifices A&B et/ou R | G3/8 | ||
| Implantation orifice T | G3/8 | ||
| Implantation orifice CS | sans | ||
| Implantation Pilotage A&B | sans |