Distributeur à boisseau flasquable OMP/OMR + LP - Tuyautable
Référence Hydrokit : DMBR1205LPF
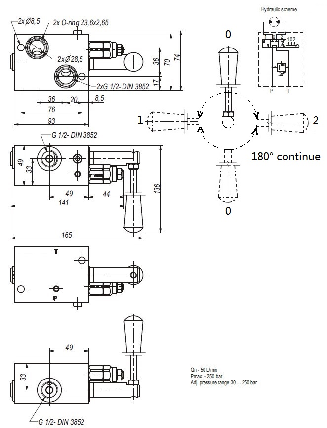
Informations techniques
Flasquable sur moteur type OMP/OMR
inverse le débit - sens de rotation du moteur
Implantation orifice : 1/2" (tuyautable en ligne)
Corps alu
avec limiteur de pression 30-250 bar
Débit 50/min
inverse le débit - sens de rotation du moteur
Implantation orifice : 1/2" (tuyautable en ligne)
Corps alu
avec limiteur de pression 30-250 bar
Débit 50/min
