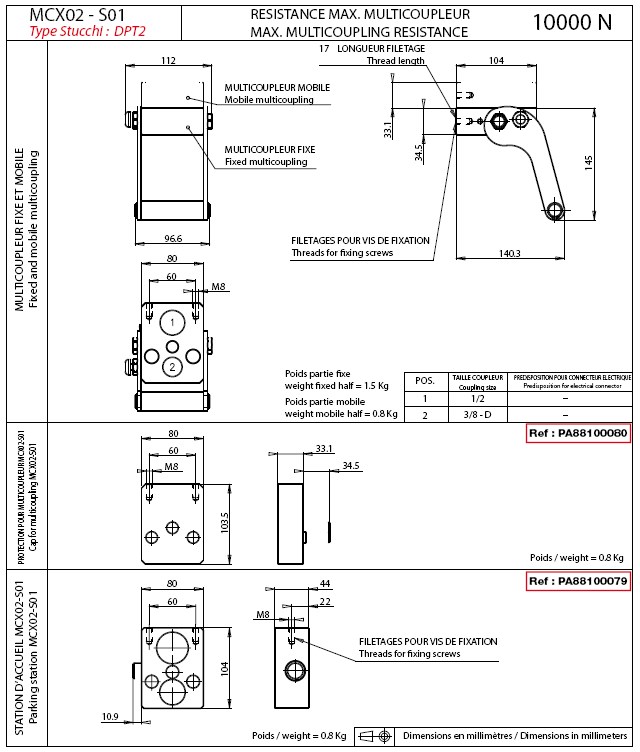
Multicoupleur complet - 1 x 3/8" + 1 x 1/2" standard - DPT2
Référence Hydrokit : MCX02S01FZZP
Informations techniques
1 voies 3/8" - G3/8" FAP-Z - 350bar
1 voies 1/2" - G1/2" FAP-Z - 330bar
connectable sous pression
1 voies 1/2" - G1/2" FAP-Z - 330bar
connectable sous pression


Caractéristiques techniques
| Nombre de voies | 2 | ||
| Nombre de connecteur(s) électrique | Sans | ||
| Taille de coupleur | 3/8" - 46L/min - 350bar, 1/2" - 90L/min - 330bar | ||
| Type de platine | Complet (fixe et mobile) | ||
| Forme du raccord | Femelle | ||
| Implantation | G1/2, G3/8 |