Indicateur niveau bas élec 550mm 1A maxi -NO/NF- G1' + flasque 2-3-6 trous
Référence Hydrokit : INEF0550MOD
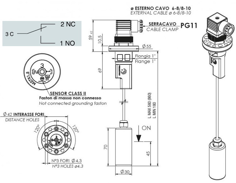
Informations techniques
contact NO et NF - 1A maxi (contact en dehors du reservoir)
Implantation G1' + plan de pose 2 - 3 - 6 trous
Hauteur maxi 560mm
Hauteur mini 180mm
Compatible huile minéral et carburant
Implantation G1' + plan de pose 2 - 3 - 6 trous
Hauteur maxi 560mm
Hauteur mini 180mm
Compatible huile minéral et carburant

Caractéristiques techniques
| Type d'accessoires | Indicateur niveau bas |