Valve d'équilibrage simple flasquable G3/8 - 40L/min - R:4.5/1 - 350bar + vis creuse
Référence Hydrokit : VS038VDNX1
Informations techniques
Simple effet - 40 litres/minute.
Implantation G3/8.
Rapport 4.5/1.
Corps en acier.
Pression maxi : 350 bar.
Implantation G3/8.
Rapport 4.5/1.
Corps en acier.
Pression maxi : 350 bar.
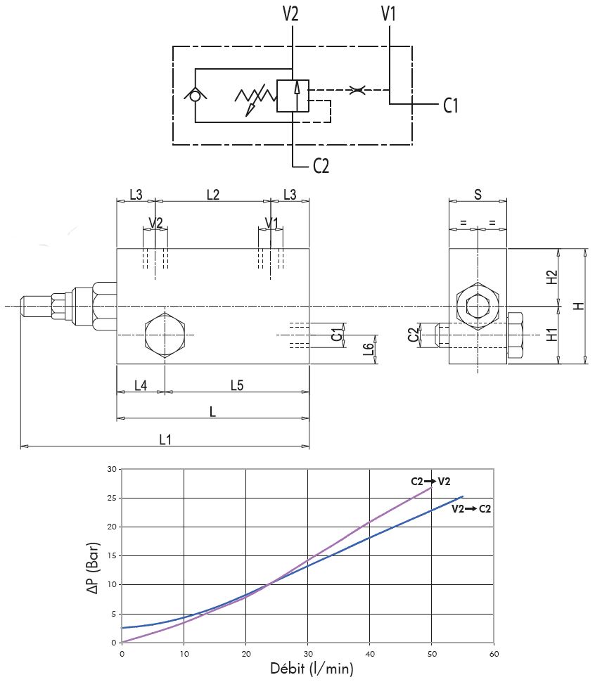
C1, C2 : Vérin - V1, V2 : Distributeur.

|
Débit max en entrée |
Pression maxi |
Rapport de pilotage |
V1, V2, C1, C2 |
L |
L1 |
L2 |
L3 |
L4 |
L5 |
L6 |
H1 |
H2 |
H |
S |
Entraxe min |
Entraxe max |
|
40 l/min |
350 bar |
1:4,5 |
3/8G |
100 mm |
150 mm |
60 mm |
20 mm |
22 mm |
78 mm |
15 mm |
40 mm |
30 mm |
70 mm |
30 mm |
110 mm |
560 mm |
Caractéristiques techniques
| Type de valves d'équilibrage | Valves simples flasquables | ||
| Implantation | G3/8 | ||
| Rapport | 4.5/1 | ||
| Pression maxi d'utilisation | 350 | bar | |
| Matière | Acier | ||
| Option | Sans option |