Valve d'équilibrage simple flasquable G1/2 SAE6000 41X18 - 60L/min - R:4.25/1 - 350bar - ventilée
Référence Hydrokit : VS012FDVC1
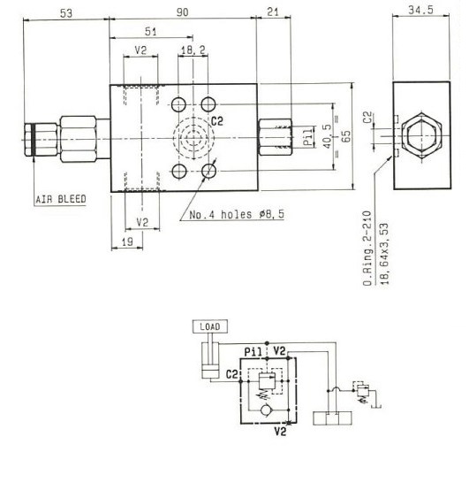
Informations techniques
pilotage chambre opposé
R4.25:1
350bar maxi
reglable 100 à 350bar
pilotage G1/4
V2 G1/2
C2 SAE6000 1/2 - 41x18
R4.25:1
350bar maxi
reglable 100 à 350bar
pilotage G1/4
V2 G1/2
C2 SAE6000 1/2 - 41x18

Caractéristiques techniques
| Type de valves d'équilibrage | Valves simples flasquables | ||
| Implantation | G1/2, SAE6000 41x18 1/2" | ||
| Rapport | 4.25/1 | ||
| Pression maxi d'utilisation | 350 | bar | |
| Matière | Acier | ||
| Option | Ventilé |