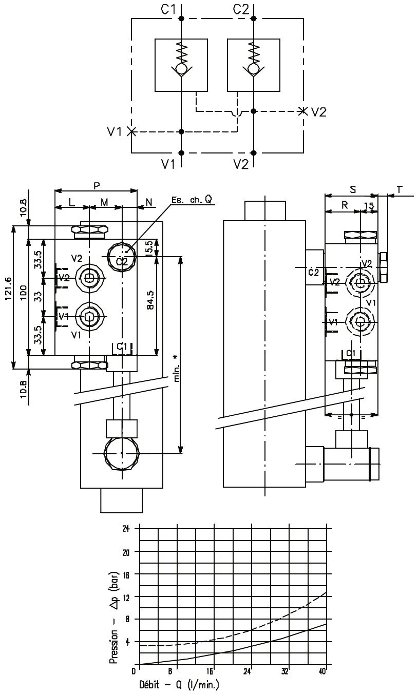
Clapet double piloté de blocage flasquable 1/2 sur vérin
Référence Hydrokit : CAD012FL3
Informations techniques
Implantation : 1/2.
Pression maximum : 350 bar.
Avec 2 vis banjo complètes (Sans tube).
Pression maximum : 350 bar.
Avec 2 vis banjo complètes (Sans tube).
Blocage d’un vérin simple et double effet, pilotage interne.
Kit de connexion rigide en option.
C1 - C2 : Vérin ; V1 - V2 : Distributeur.

|
Type de valve |
Implantation vérin |
Pression maximum |
Rapport de pilotage |
Débit maximum |
Diamètre de passage banjo/vis |
L |
M |
N |
P |
Q |
R |
S |
T |
|
Double |
1/2 |
350 bar |
3/1 |
40 l/min |
10 mm |
34 mm |
30 mm |
16 mm |
80 mm |
27 mm |
35 mm |
50 mm |
10 mm |