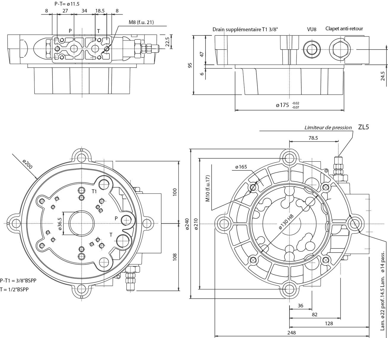
Corps groupe hydraulique GH14 - 20 à 200 bars avec joints
Référence Hydrokit : C11GH14C
Informations techniques
Corps groupe hydraulique GH14
Tarage : 20 à 220 bars
avec joints
Tarage : 20 à 220 bars
avec joints

