VALVE EQUILIBRAGE SIMPLE G3/8
Referencia Hydrokit : VES038
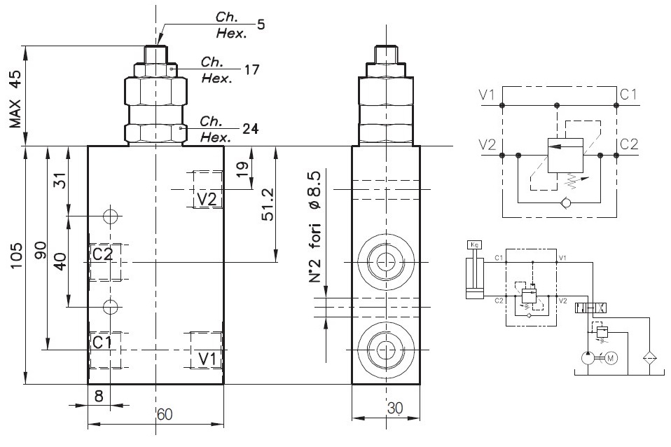
Información técnica

Características técnicas
| Type de valves d'équilibrage | Valves simples | ||
| Implantation | G3/8 | ||
| Rapport | 4.25/1 | ||
| Pression maxi d'utilisation | 210 | bar | |
| Matière | Aluminium | ||
| Option | Sans option |