Valve d'équilibrage simple G3/4 - 95L/min - R:5.5/1 - 350bar
Référence Hydrokit : VS034TDNX1
Informations techniques
Rapport de pilotage : 5.5/1.
Corps en acier.
Pression maximum : 350 bar.
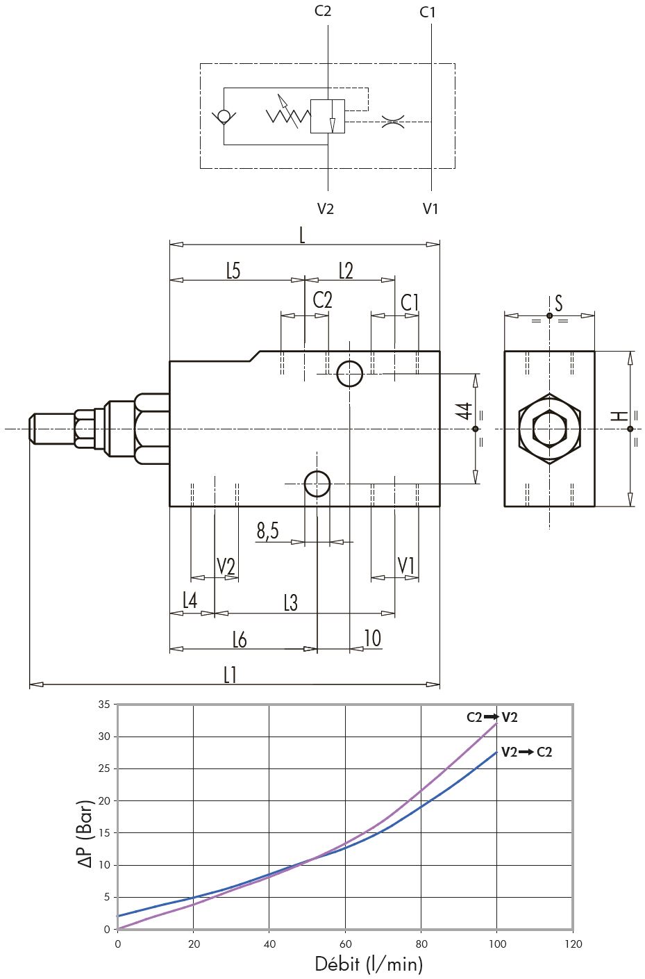
Ces valves sont utilisées pour contrôler le mouvement des vérins et effectuer un blocage pour permettre les fonctions suivantes : Caractéristiques C1 - C2 : Vérin ; V1 - V2 : Distributeur.
- Descente contrôlée de la charge : la charge ne devient pas motrice, la valve d’équilibrage évite au vérin de caviter.
- Limite la pression dans le vérin lors de chocs créés par une surcharge, pics de pression dû aux effets de pompage (nécessite d’utiliser un distributeur centre ouvert).
- Corps acier zingué bichromaté.
- Réglage usine : 320 bar.
- Réglage de la valve au minimum à 1,3 fois la pression de charge afin de permettre une fermeture rapide.

|
Débit max en entrée |
Pression maximum |
Rapport de pilotage |
V1, V2, C1, C2 |
L |
L1 |
L2 |
L3 |
L4 |
L5 |
L6 |
H |
S |
|
95 l/min |
350 bar |
1:5,5 |
3/4G |
127 mm |
192 mm |
46 mm |
85 mm |
23,5 mm |
62,5 mm |
75 mm |
80 mm |
35 mm |
Caractéristiques techniques
| Type de valves d'équilibrage | Valves simples | ||
| Implantation | G3/4 | ||
| Rapport | 5.5/1 | ||
| Pression maxi d'utilisation | 350 | bar | |
| Matière | Acier | ||
| Option | Sans option |