VALVE EQUILIBRAGE SIMPLE G3/4 RESTR
Referencia Hydrokit : VS034TDRC1
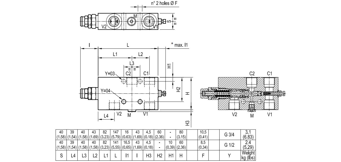
Información técnica

Características técnicas
| Type de valves d'équilibrage | Valves simples | ||
| Implantation | G3/4 | ||
| Rapport | 4/1 | ||
| Pression maxi d'utilisation | 350 | bar | |
| Matière | Acier | ||
| Option | Rampe de contrôle (restricteur sur pilotage) |