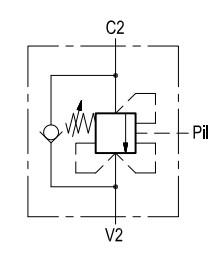
VALVE EQUILIBRAGE SIMPLE G1/2
Referencia Hydrokit : VS012TDNC1
Información técnica

Características técnicas
| Type de valves d'équilibrage | Valves simples | ||
| Implantation | G1/2 | ||
| Rapport | 4.2/1 | ||
| Pression maxi d'utilisation | 350 | bar | |
| Matière | Acier | ||
| Option | Sans option |