Valve d'équilibrage double G1/4 - 20L/min - R:4.5/1 - 350bar
Référence Hydrokit : VD014TDNX1
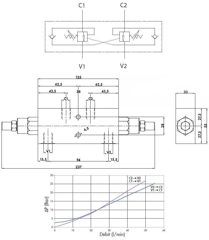
Informations techniques
Valve double effet.
Implantation 1/4G.
Rapport de pilotage : 4.5/1.
Matière acier.
Pression maximum : 350 bar.
Débit maximum en entrée : 20 litres/minute.
Implantation 1/4G.
Rapport de pilotage : 4.5/1.
Matière acier.
Pression maximum : 350 bar.
Débit maximum en entrée : 20 litres/minute.
C1, C2 : Vérin - V1, V2 : Distributeur. C1, C2, V1 et V2 : 1/4G.

Caractéristiques techniques
Type de valves d'équilibrage | Valves doubles | ||
Implantation | G1/4 | ||
Rapport | 4.5/1 | ||
Pression maxi d'utilisation | 350 | bar | |
Matière | Acier | ||
Option | Sans option |