VALVE EQUILIBRAGE DOUBLE G1/2
Referencia Hydrokit : VED012
Información técnica

Características técnicas
| Type de valves d'équilibrage | Valves doubles | ||
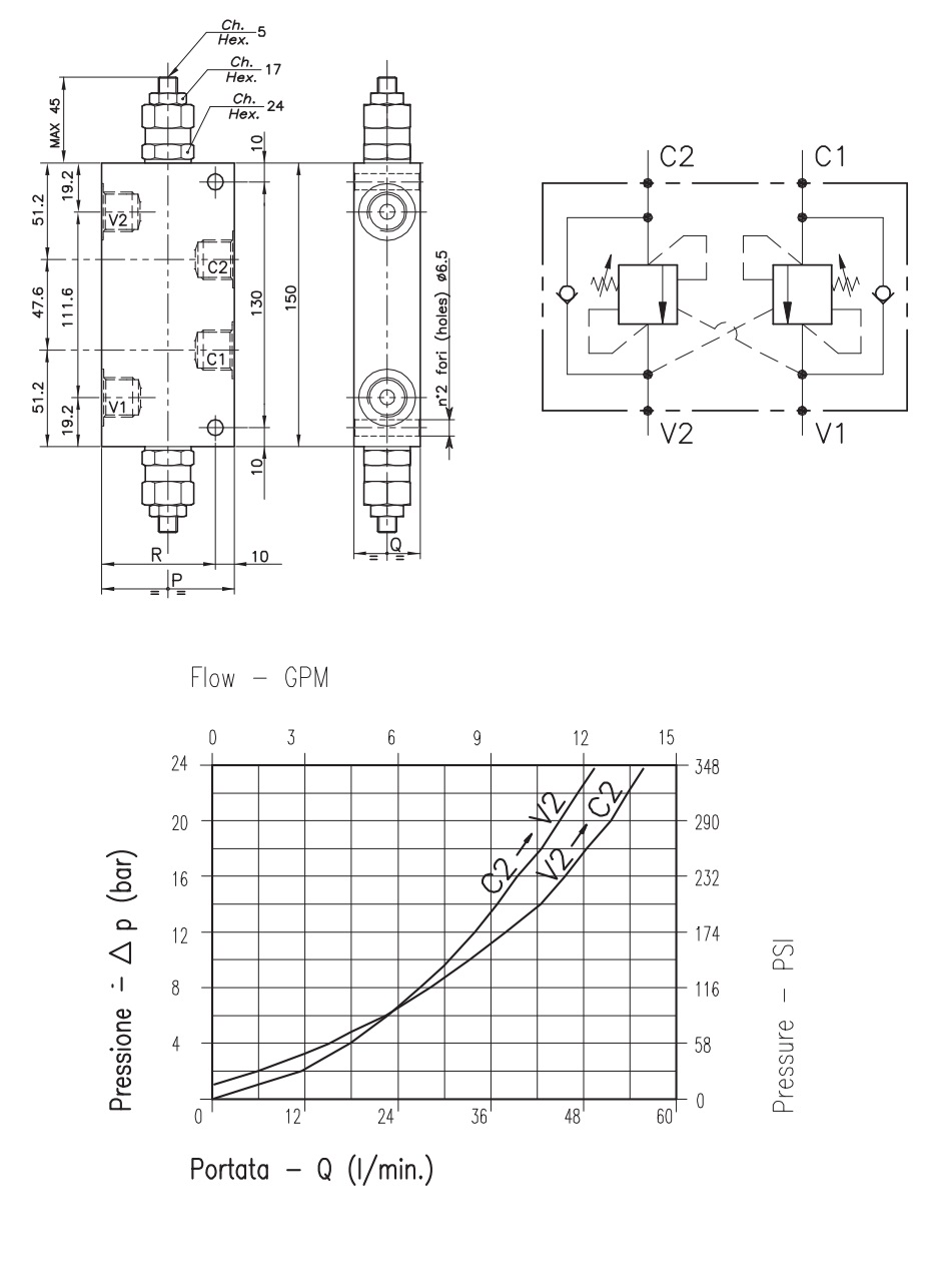
| Implantation | G1/2 | ||
| Rapport | 4.25/1 | ||
| Pression maxi d'utilisation | 210 | bar | |
| Matière | Aluminium | ||
| Option | Sans option |