+49 (0)7021/7377-0
Contact
Kontakt
Suche
Unsere Produkte
Menü
schließen
Startseite
Lösungen für Landmaschinen
Lösungen für Baumaschinen
LKW Bausätze
Umweltschonung
Pumpen / Übersetzungsgetriebe
Ölbehälter
Filter
Wärmetauscher
Hydraulikaggregate
Stromregelung
Hydraulikspeicher
Druckregelung
Hydraulikventile
Sicherheitsventile
Hydraulikzylinder
Hochdruck-Komponenten
Hydraulikmotoren
Lenkeinheiten
Verschraubungen / Kupplungen
Elektrische Komponenten
Werkstattgeräte
Hydroclips Koffer
Schläuche und Armaturen
Kupplungen und Multikupplungen
Ausrüstungen für Hochdruckreiniger
Schmierung
Baltrotors Rotatoren
Öl
Schnäppchen!
Fragebogen
Feldspritzenteile
Reparatur Pumpen und Motoren
Wo finden Sie uns?
Kataloge
Messen
Wir über Uns
Über Rau Serta / Hydrokit
Vensys Gruppe
Service/Leistungen
Videos
Karriere
Kontakt
Startseite
Sicherheitsventile
Wechselventile
Rückschlagventile für Leitungseinbau
Leitungsbruchsicherungen
Rückschlagventile
Einstellbare Leitungsbruchsicherungen
Entsperrbare vorgesteuerte Rückschlagventile für Leitungseinbau
Anflanschbare entsperrbare vorgesteuerte Rückschlagventile
Doppeltwirkende vorgesteuerte Rückschlagventile zum Leitungseinbau
Senkbremsventile
Sicherheitsventile für Baumaschinen
Nachsaugventile für OMP/OMR Orbitalmotoren
Senkbremsventile, anflanschbar für OMP/OMR Orbitalmotoren
Rückschlagventile
Einfachwirkende entsperrbare vorgesteuerte Rückschlagventile
Doppeltwirkende entsperrbare vorgesteuerte Rückschlagventile
Einfachwirkende entsperrbare vorgesteuerte Rückschlagventile
Vollbild
Vorheriges Bild
Nächstes Bild
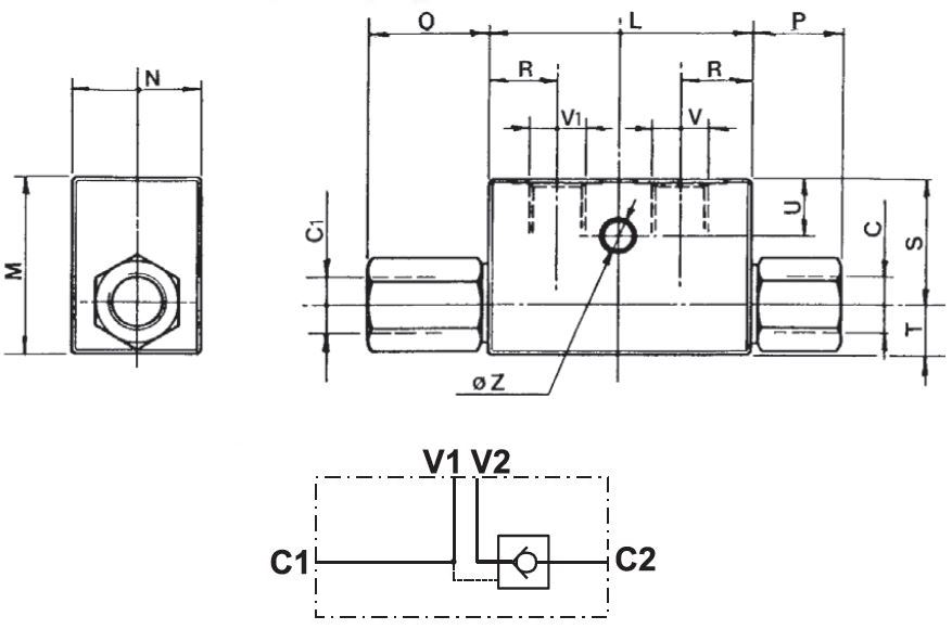
Rückschlagventil EW
Artikel-Nr Rau Serta :
CASP012
drucken
teilen
+49 (0)7021/7377-0
Kontakt
Kontakt
schließen
Sie wollen sofort eine Antwort?
Kontaktieren Sie uns unter +49 (0)7021/7377-0
Um den Preis zu sehen
Ein Konto erstellen
oder
Technische Informationen
hydr. entperrbares Rückschlagventil
einfachwirkend 1/2" zum Leitungseinbau, max. 350 bar
schließen
Teilen Sie dieses Produkt auf
Facebook
Linkedin
Mail
Abbrechen
schließen
Wird geladen ...