(+34) 93 809 83 84
Contact
Contacto
Buscar
Productos
Menú
Cerca
Inicio
Agrícolas
Obra públicas
Camiones
Medio ambiente
Reparación
Bombas / Multiplicadores
Depósitos / Tanque
Filtración
Intercambiadores
Centrales hidráulicas
Reguladores de caudal
Acumuladores
Regulación de presión
Distribución
Válvulas
Cilindros hidráulicos
Componentes de alta presión 700 bar
Motores hidráulicos
Orbitroles
Racores
Componentes eléctricos
Material para taller
Maletines Hydroclips
Mangueras / Latiguillos / Terminales
Enchufes / Multienchufes
Equipamientos de limpiadoras de alta presión
Engrase
Rotatores Baltrotors
Aceite / Consumibles
Ofertas / Fin de stock
Hojas para definición del producto
Reparaciones bombas y motores
Montaje in Situ
Donde encontrarnos
Marcas
Catálogos
Ferias
Actualidad
Sobre Hydrokit
Nuestros oficios
Nuestra empresa
Grupo Vensys
Servicios
Únete a nosotros
Tutorial
Vidéos
Contacto
Inicio
Válvulas
Selectoras de circuito
Válvulas antirretorno en línea
Válvulas paracaídas
Válvulas antirretorno
Valvulas de bloqueo regulables
Antirretorno pilotado en linea
Antirretorno pilotado embridable sobre cilindro
Kits antirretorno doble para tuberia
Válvulas overcenter
Válvulas de seguridad TP
Bloque anti-cavitación
Válvula overcenter sobre motores OMP y OMR
Antirretorno pilotado embridable sobre cilindro
Pantalla completa
Imagen anterior
Imagen siguiente
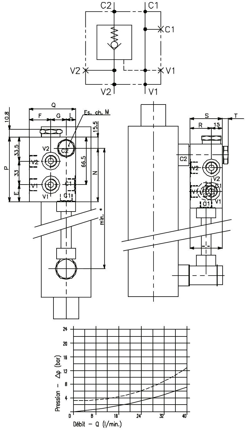
CLAPET PILOTE SIMPLE FLASQUABL
Referencia Hydrokit :
CAS038FL3
Imprimir
Compartir
(+34) 93 809 83 84
Contacto
Contacto
Cerca
¿Quieres una respuesta inmediata?
Contáctanos en (+34) 93 809 83 84
Para ver el precio
Registrarse
o
Información técnica
Cerca
Compartir producto en
Facebook
Linkedin
Mail
Cancelar
Cerca
Cargando...