(+34) 93 809 83 84
Contact
Contacto
Buscar
Productos
Menú
Cerca
Inicio
Agrícolas
Obra públicas
Camiones
Medio ambiente
Reparación
Bombas / Multiplicadores
Depósitos / Tanque
Filtración
Intercambiadores
Centrales hidráulicas
Reguladores de caudal
Acumuladores
Regulación de presión
Distribución
Válvulas
Cilindros hidráulicos
Componentes de alta presión 700 bar
Motores hidráulicos
Orbitroles
Racores
Componentes eléctricos
Material para taller
Maletines Hydroclips
Mangueras / Latiguillos / Terminales
Enchufes / Multienchufes
Equipamientos de limpiadoras de alta presión
Engrase
Rotatores Baltrotors
Aceite / Consumibles
Ofertas / Fin de stock
Hojas para definición del producto
Reparaciones bombas y motores
Montaje in Situ
Donde encontrarnos
Marcas
Catálogos
Ferias
Actualidad
Sobre Hydrokit
Nuestros oficios
Nuestra empresa
Grupo Vensys
Servicios
Únete a nosotros
Tutorial
Vidéos
Contacto
Inicio
Reguladores de caudal
Reguladores de caudal embridables sobre motores tipo OMP / OMR
Bloques de regulación
Divisor by pass
Divisores de caudal by-pass dobles
Control LS - Dynaset
Regulación de bomba LS negativo
Divisores de caudal volumétricos
Bloque de regulación circuito caudal pequeño
Valve de régénération - speed valve
Bloques de regulación
Pantalla completa
Imagen anterior
Imagen siguiente
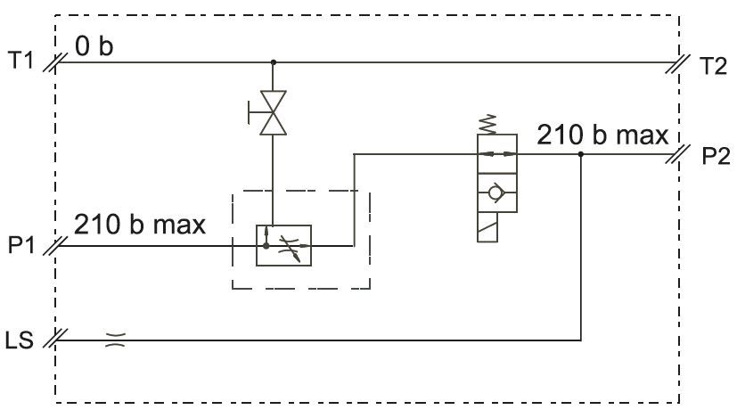
BLOQUE REGULACIÓN CAUDAL CO CF LS
Referencia Hydrokit :
RDR9050COCFLS
Imprimir
Compartir
(+34) 93 809 83 84
Contacto
Contacto
Cerca
¿Quieres una respuesta inmediata?
Contáctanos en (+34) 93 809 83 84
Para este producto contáctenos al telf. + 34 93 809 83 84 o info.es@hydrokit.com
Información técnica
Cerca
Compartir producto en
Facebook
Linkedin
Mail
Cancelar
Cerca
Cargando...