BRIDA DERECHA CUADR. G1/2-40X40
Referencia Hydrokit : BDC4040FZ2
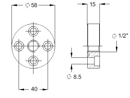
Información técnica

Características técnicas
| Entraxe de bride | 40mm | ||
| Implantation | G1/2 | ||
| Type de vis | M8 | ||
| Matière | Acier |

| Entraxe de bride | 40mm | ||
| Implantation | G1/2 | ||
| Type de vis | M8 | ||
| Matière | Acier |