03 POMPE 25 CM3 40X35
Referencia Hydrokit : P225D59ABS
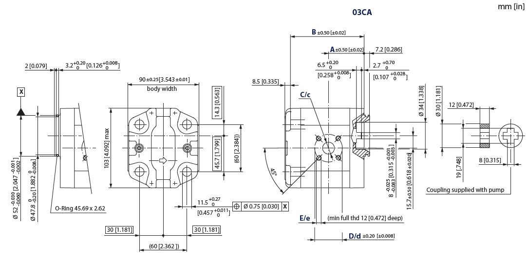
Información técnica


Características técnicas
| Groupe | Groupe 2 | ||
| Desplazamiento | 25 | cm³/tr | |
| Sentido de rotación | Droite | ||
| Frasco | A vis traversante 2 trous Ø52mm + Oring | ||
| Tipo de árbol | Tournevis | ||
| Clasificación de los árboles | Méplat Ø17mm Ep 8mm | ||
| Type de bride | Allemande (Carré) | ||
| Cote orifice d'aspiration | 40x40 (vis M6x100) | ||
| Cote orifice de refoulement | 35x35 (vis M6x100) | ||
| Marque | Sauer Danfoss / Turolla |