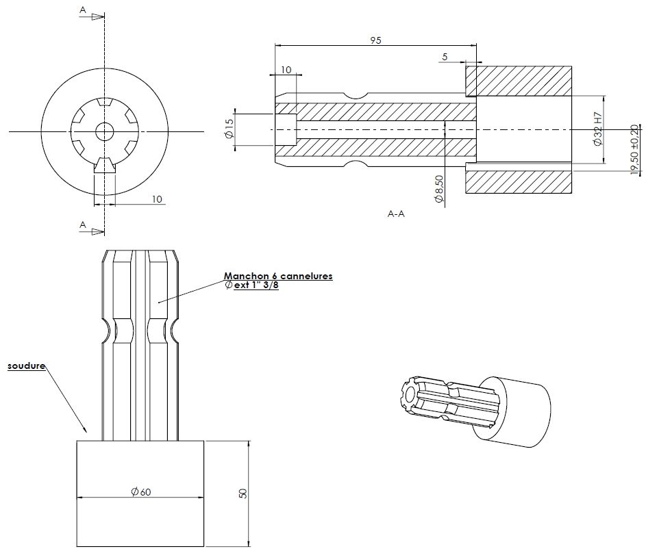
Manchon prise de force 540 tr/min arbre mâle 1"3/8 32 mm
Référence Hydrokit : 71110028
Informations techniques
MANCHON MOTEUR HYDRAULIQUE MHP Ø32MM 1''3/8 MALE
Manchon prise de force 6 cannelures 1"3/8 mâle montage sur moteur semi rapide arbre Ø 32mm.

|
Diamètre arbre cylindrique |
Diamètre arbre PTO |
Longueur |
|
32 mm |
1"3/8 mâle |
140 mm |