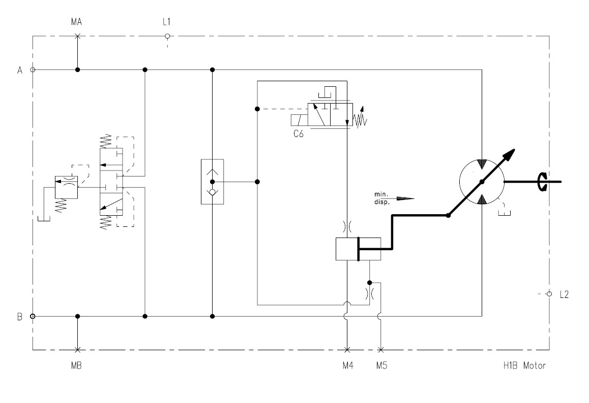
MOTEUR PISTON CF CYL VAR 250CC ROTB
Referencia Hydrokit : MPF250B480400SB
Información técnica

Características técnicas
| Tipo de componentes | Moteur à pistons cylindrée variable | ||
| Tipo de sistema hidráulico | CF - Circuit Fermé | ||
| Desplazamiento | 250 | cm³/tr | |
| Sentido de rotación | Bidirectionnel | ||
| Frasco | SAE-E 4 trous Centrage Ø165.1mm | ||
| Tipo de árbol | Cannelé | ||
| Clasificación de los árboles | 27 dents DP16/32 | ||
| Tipo de reglamento | ON/OFF 24VDC |