Información técnica

Características técnicas
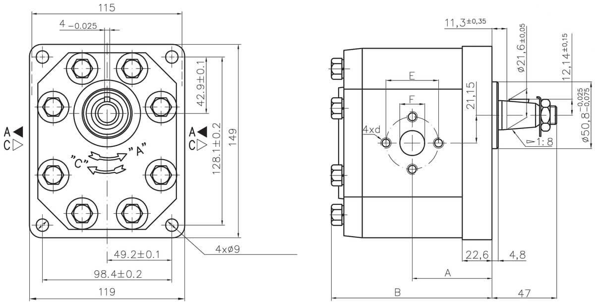
| Groupe | Groupe 3 | ||
| Desplazamiento | 22 | cm³/tr | |
| Sentido de rotación | Droite | ||
| Frasco | Italien | ||
| Tipo de árbol | Conique | ||
| Clasificación de los árboles | 1/8 | ||
| Type de bride | Italienne (Losange) | ||
| Cote orifice d'aspiration | 40x40 (Vis M8x125) | ||
| Cote orifice de refoulement | 40x40 (Vis M8x125) | ||
| Marque | Hydrokit |