Indicateur colmatage differentiel visuel retour (ikron serie 20 & 30)
Référence Hydrokit : IFRVDL
Informations techniques
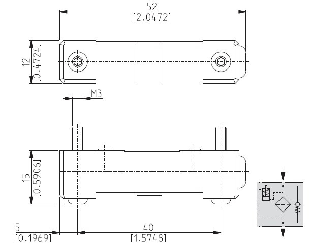
control visuel pour filtre de retour Ikron HF620 serie 20 et 30
controle pression différentiel (1.5bar)
barrete fixé par deux vis M3 - EA : 40mm
controle pression différentiel (1.5bar)
barrete fixé par deux vis M3 - EA : 40mm
