(+34) 93 809 83 84
Contact
Contacto
Buscar
Productos
Menú
Cerca
Inicio
Agrícolas
Obra públicas
Camiones
Medio ambiente
Reparación
Bombas / Multiplicadores
Depósitos / Tanque
Filtración
Intercambiadores
Centrales hidráulicas
Reguladores de caudal
Acumuladores
Regulación de presión
Distribución
Válvulas
Cilindros hidráulicos
Componentes de alta presión 700 bar
Motores hidráulicos
Orbitroles
Racores
Componentes eléctricos
Material para taller
Maletines Hydroclips
Mangueras / Latiguillos / Terminales
Enchufes / Multienchufes
Equipamientos de limpiadoras de alta presión
Engrase
Rotatores Baltrotors
Aceite / Consumibles
Ofertas / Fin de stock
Hojas para definición del producto
Reparaciones bombas y motores
Montaje in Situ
Donde encontrarnos
Marcas
Catálogos
Ferias
Actualidad
Sobre Hydrokit
Nuestros oficios
Nuestra empresa
Grupo Vensys
Servicios
Únete a nosotros
Tutorial
Vidéos
Contacto
Inicio
Distribución
Distribuidor PVG Danfoss
Sélecteur de fonctions
Distribudor CETOP
Distribuidor manual monobloque
Distribuidor manual apilable
Distribución y regulación de caudal
Final de carrera hidráulico
Vávulas de bola
Electrovalvula por cierre conico 2/2
Eléctroválvulas de corredera 3/2 - 4/2 - 4/3 - 5/3
Distribution spéciale TP - LS
Mando baja presión
Botonera, cable de mando y adaptadores
Tête de commande - levier
Vávula de frenado hidráulico para remolque
Kit racores para distribuidores
Vávula de frenado hidráulico para remolque
Bosch 0538 (fin de producción)
Safim 203273 (Estandar)
Safim 202794 ( enchufe freno integrado)
Safim 203273 (Estandar)
Pantalla completa
Imagen anterior
Imagen siguiente
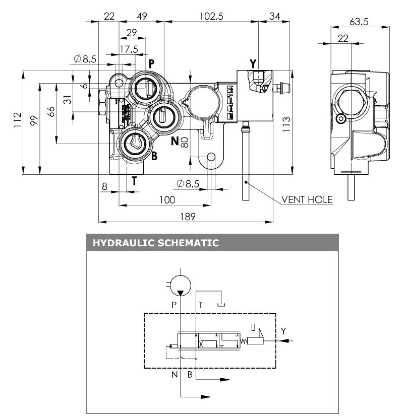
VALVE FREINAGE REMORQUE PISTON 20MM
Referencia Hydrokit :
203273FN20
Imprimir
Compartir
(+34) 93 809 83 84
Contacto
Contacto
Cerca
¿Quieres una respuesta inmediata?
Contáctanos en (+34) 93 809 83 84
Para ver el precio
Registrarse
o
Información técnica
Cerca
Compartir producto en
Facebook
Linkedin
Mail
Cancelar
Cerca
Cargando...