ELECTROVÁLVULA 3 VÍAS PILOTAJE
Referencia Hydrokit : T3AT01472F
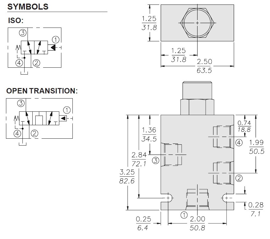
Información técnica

Características técnicas
| Type(s) de commande(s) | Commande Hydraulique BP | ||
| Implantation | G1/4 | ||
| Débit maxi | 35 | l/min |

| Type(s) de commande(s) | Commande Hydraulique BP | ||
| Implantation | G1/4 | ||
| Débit maxi | 35 | l/min |