ELECTROVÁLVULA 3 VÍAS 1/2 12V TRANS
Referencia Hydrokit : T3AT0121CW
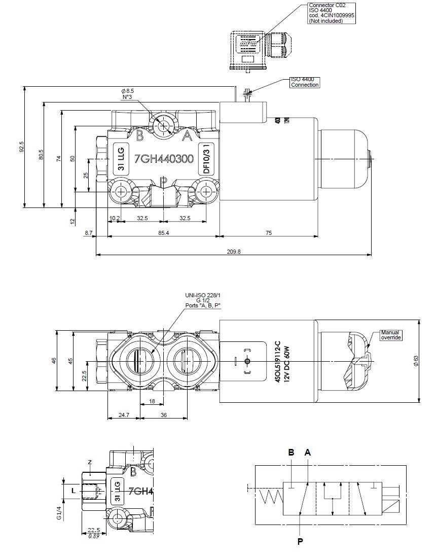
Información técnica

Características técnicas
| Type(s) de commande(s) | Commande Electrique 12vcc | ||
| Tensión | 12 VCC | Volt | |
| Tipo de corriente | Continuo Vcc | ||
| Implantation | G1/2 | ||
| Débit maxi | 90 | l/min |