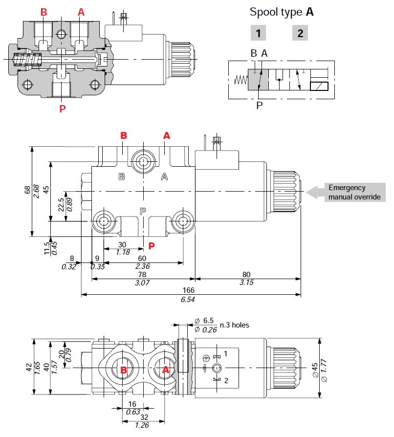
Electrovanne à tiroir 3/2 - G3/8 - 24vdc - 60 l/min - 200bar - recouvrement négatif
Référence Hydrokit : T3AT0382AW
Informations techniques
Débit Maxi 60L/min
Pression maxi 200bar - sans drain
Recouvrement négatif
Walvoil 12Z240040 - DFE052/3A18ES-W201-24DC (remplace 12A240040 )
Pression maxi 200bar - sans drain
Recouvrement négatif
Walvoil 12Z240040 - DFE052/3A18ES-W201-24DC (remplace 12A240040 )

Caractéristiques techniques
| Type(s) de commande(s) | Commande Electrique 24vcc | ||
| Tension | 24 VCC | Volt | |
| Type de courant | Continu Vcc | ||
| Implantation | G3/8 | ||
| Débit maxi | 60 | l/min |