Multiplicateur G2 femelle PTO verrou - R:1/3.3 - 10KW
Référence Hydrokit : ML32F33A
Informations techniques
Caractéristiques :
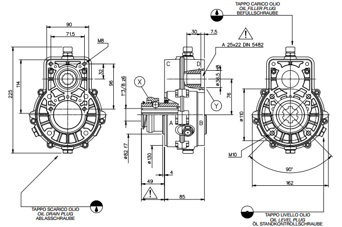
Entrée arbre femelle PTO 1"3/8 6 cannelures avec bague de verrouillage
Sortie prédisposé pour pompe groupe 2 standard italien
Nombre de sortie : 1
Rapport 1/3.35
Couple maxi en entrée : 18,6 daN/m
Vitesse en entrée : 540Tr/min
Vitesse en sortie : 1809Tr/min
Puissance maxi : 10Kw
Livré sans huile
Entrée arbre femelle PTO 1"3/8 6 cannelures avec bague de verrouillage
Sortie prédisposé pour pompe groupe 2 standard italien
Nombre de sortie : 1
Rapport 1/3.35
Couple maxi en entrée : 18,6 daN/m
Vitesse en entrée : 540Tr/min
Vitesse en sortie : 1809Tr/min
Puissance maxi : 10Kw
Livré sans huile

Caractéristiques techniques
| Rapport | 1/3.3 | ||
| Puissance maxi | 10 | KiloWatt | |
| Type d'arbre entrée | Femelle PTO 1''3/8 Z6 avec verrouillage | ||
| Type d'arbre sortie | Femelle Z14 Ppe G2 std Italien | ||
| Vitesse en entrée | 540 | Tr/min | |
| Vitesse en sortie | 1809 | Tr/min | |
| Couple maxi en entrée | 186 | N.m | |
| Couple maxi en sortie | 55 | N.m | |
| Type d'huile | SAE 90 | ||
| Volume maxi d'huile | 0.22 | L | |
| Poids | 6 | kg |