(+34) 93 809 83 84
Contact
Contacto
Buscar
Productos
Menú
Cerca
Inicio
Agrícolas
Obra públicas
Camiones
Medio ambiente
Reparación
Bombas / Multiplicadores
Depósitos / Tanque
Filtración
Intercambiadores
Centrales hidráulicas
Reguladores de caudal
Acumuladores
Regulación de presión
Distribución
Válvulas
Cilindros hidráulicos
Componentes de alta presión 700 bar
Motores hidráulicos
Orbitroles
Racores
Componentes eléctricos
Material para taller
Maletines Hydroclips
Mangueras / Latiguillos / Terminales
Enchufes / Multienchufes
Equipamientos de limpiadoras de alta presión
Engrase
Rotatores Baltrotors
Aceite / Consumibles
Ofertas / Fin de stock
Hojas para definición del producto
Reparaciones bombas y motores
Montaje in Situ
Donde encontrarnos
Marcas
Catálogos
Ferias
Actualidad
Sobre Hydrokit
Nuestros oficios
Nuestra empresa
Grupo Vensys
Servicios
Únete a nosotros
Tutorial
Vidéos
Contacto
Inicio
Bombas / Multiplicadores
Bombas de recambios
Bombas manuales
Bombas de engranajes
Bombas con multiplicadoras
Caja multiplicadora
Embrague para bombas
Bombas de pistones
Válvula de lavado
Bombas de recambios
Bombas para tractores agricolas
Bomba Motores para desbrozadora
Bombas para cosechadoras
Bombas para máquinas de obras públicas
Bombas para máquinas de obras públicas
ABG
ACMAG
ALHMANN
AMMAN YANMAR
ATLAS
BOBCAT
BOMAG
CASE POCLAIN IH
CATERPILLAR
DAEWOO
DYNAPAC
FDI SAMBRON DERRUPE TRAMAC
FENWICK (LINDE)
FIAT-ALLIS-HITACHI
FURUKAWA YUMBO IH DRESSER
GEHL
HALLA
HANOMAG
HYUNDAI
IHI
INGERSOLL RAND
JCB
JOHN DEERE
KOMATSU
KRAMER
KOBELCO
KUBOTA
LIEBHERR
MANITOU
OK FAUN
MF INDUSTRIAL
MATBRO
MECALAC
MERLO
OMFORT AUDUREAU
PEL JOB
PORTHOS
RICHIER OLEOMAT
SALEV
SAMSUNG
SANDERSON CLAAS
STILL SAXBY MATRAL LANSING
TAKEUCHI
TEREX
TOYOTA
VOLVO MICHIGAN KOCKUM
ZETTELMEYER
LIBRA
BOBCAT
Pantalla completa
Imagen anterior
Imagen siguiente
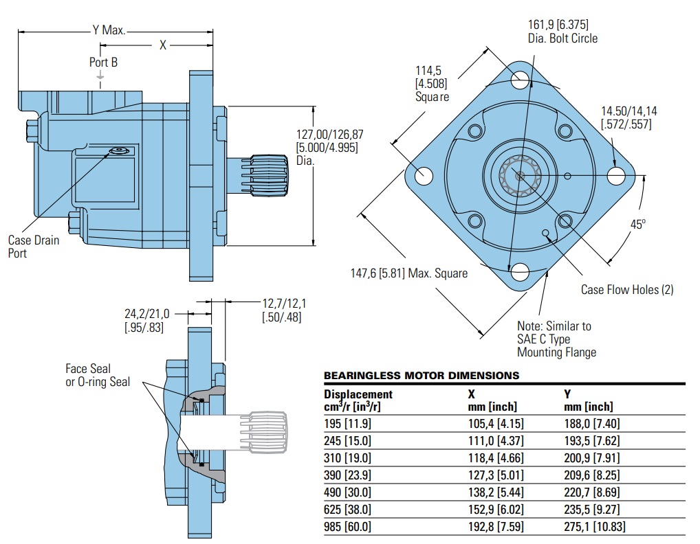
MOTEUR TRANSLATION BOBCAT 430
Referencia Hydrokit :
M101026E
Imprimir
Compartir
(+34) 93 809 83 84
Contacto
Contacto
Cerca
¿Quieres una respuesta inmediata?
Contáctanos en (+34) 93 809 83 84
Para ver el precio
Registrarse
o
Información técnica
Cerca
Compartir producto en
Facebook
Linkedin
Mail
Cancelar
Cerca
Cargando...