Pompe à pistons 7.8cc - 400bar - droite - conique 1/10
Référence Hydrokit : PP008DZZF
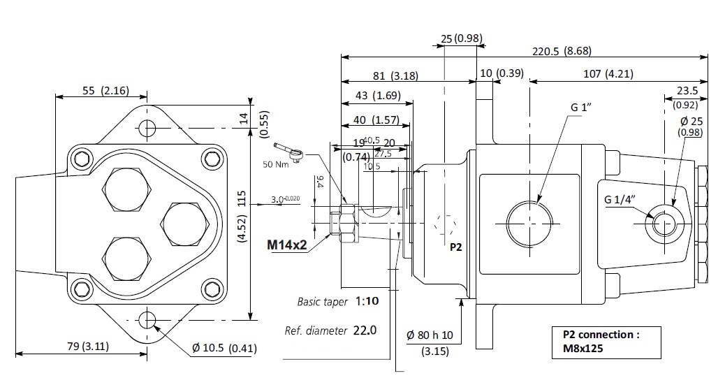
Informations techniques
rotation droite
Pompe adpatable,
équivalent Leduc X08 sauf arbre (conique 1/10 au lieu de conique 1/5 )
Pompe adpatable,
équivalent Leduc X08 sauf arbre (conique 1/10 au lieu de conique 1/5 )
Attention à l'arbre
Màj 02/2022 : arret de production
