POMPE 44 CM3 ROT.D SAE B 13 DENT
Referencia Hydrokit : P344D93EGS
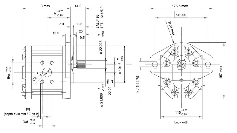
Información técnica

Características técnicas
| Groupe | Groupe 3 | ||
| Desplazamiento | 44 | cm³/tr | |
| Sentido de rotación | Droite | ||
| Frasco | SAE-B | ||
| Tipo de árbol | Cannelé | ||
| Clasificación de los árboles | 13 dents | ||
| Type de bride | SAE (Rectangle vis UNC) | ||
| Cote orifice d'aspiration | 59x30 (Vis 7/16" 14 UNC) | ||
| Cote orifice de refoulement | 52x26 (Vis 3/8" 16 UNC) | ||
| Marque | Sauer Danfoss / Turolla |