02 POMPE 11 CM3 ROT. DROITE C
Referencia Hydrokit : P211D27ABS
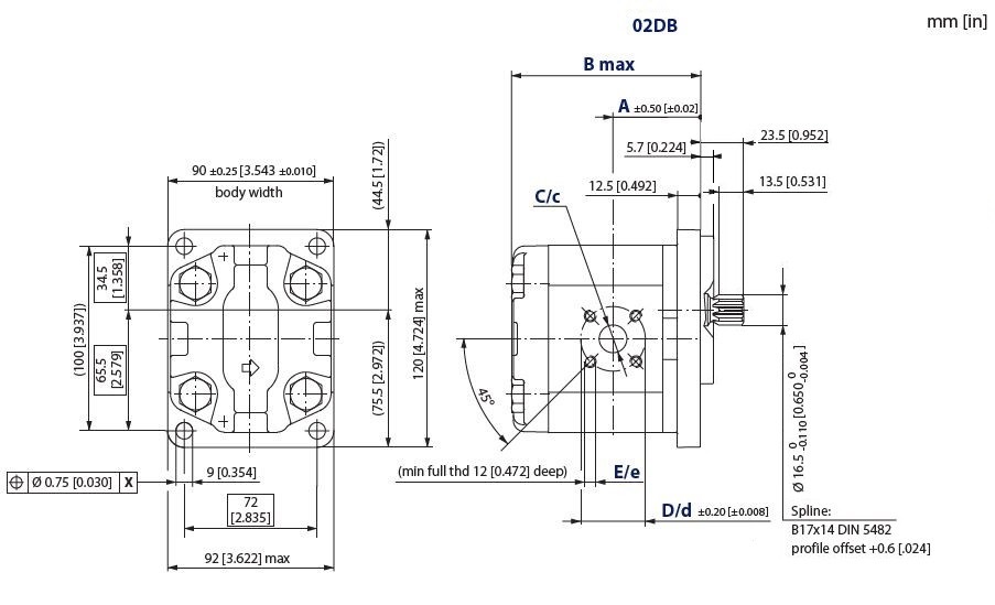
Información técnica


Características técnicas
| Groupe | Groupe 2 | ||
| Desplazamiento | 11 | cm³/tr | |
| Sentido de rotación | Droite | ||
| Frasco | DIN | ||
| Tipo de árbol | Cannelé | ||
| Clasificación de los árboles | 9 dents | ||
| Type de bride | Allemande (Carré) | ||
| Cote orifice d'aspiration | 40x40 (vis M6x100) | ||
| Cote orifice de refoulement | 35x35 (vis M6x100) | ||
| Marque | Sauer Danfoss / Turolla |