Distributeur fendeuse 1DE double vitesse 80l/min butée pression
Référence Hydrokit : DM081FENDEP
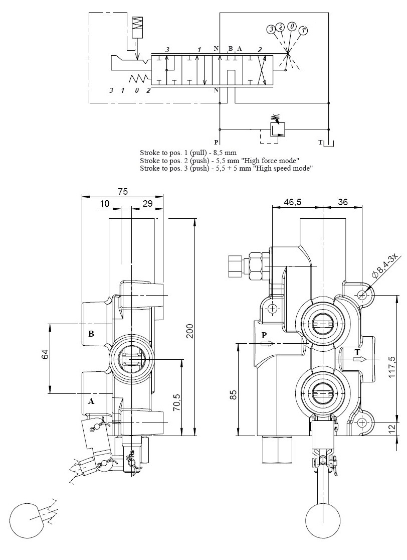
Informations techniques
Crantage sur montée,
fin de course hydraulique pour remise au neutre en fin de remonté de tige
(pression de décrantage réglable)
250bar maxi - 80L/min - Alimentation nominal 16L/min
Centre ouvert
P,T : 3/4G - A,B : 1/2G
-La fonction double vitesse est une position supplémentaire sur le levier permettant de faire
une sortie de tige rapide en cumulant le débit de la pompe au débit récupéré coté tige
fin de course hydraulique pour remise au neutre en fin de remonté de tige
(pression de décrantage réglable)
250bar maxi - 80L/min - Alimentation nominal 16L/min
Centre ouvert
P,T : 3/4G - A,B : 1/2G
-La fonction double vitesse est une position supplémentaire sur le levier permettant de faire
une sortie de tige rapide en cumulant le débit de la pompe au débit récupéré coté tige
