Valve d'équilibrage simple G1/2 - 150L/min - R:8/1 - 350bar - compensée, ventilée, restricteur pil
Référence Hydrokit : VS012THVC1
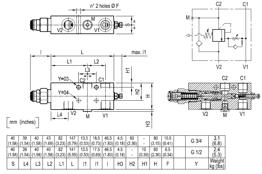
Informations techniques
Code : 08458615033500D
Ancien code : 08458615033500C
Ancien code : 08458615033500C

Caractéristiques techniques
| Type de valves d'équilibrage | Valves simples | ||
| Implantation | G1/2 | ||
| Rapport | 8/1 | ||
| Pression maxi d'utilisation | 350 | bar | |
| Matière | Acier | ||
| Option | Compensé en pression, Ventilé, Rampe de contrôle (restricteur sur pilotage) |