+49 (0)7021/7377-0
Contact
Kontakt
Suche
Unsere Produkte
Menü
schließen
Startseite
Lösungen für Landmaschinen
Lösungen für Baumaschinen
LKW Bausätze
Umweltschonung
Pumpen / Übersetzungsgetriebe
Ölbehälter
Filter
Wärmetauscher
Hydraulikaggregate
Stromregelung
Hydraulikspeicher
Druckregelung
Hydraulikventile
Sicherheitsventile
Hydraulikzylinder
Hochdruck-Komponenten
Hydraulikmotoren
Lenkeinheiten
Verschraubungen / Kupplungen
Elektrische Komponenten
Werkstattgeräte
Hydroclips Koffer
Schläuche und Armaturen
Kupplungen und Multikupplungen
Ausrüstungen für Hochdruckreiniger
Schmierung
Baltrotors Rotatoren
Öl
Schnäppchen!
Fragebogen
Feldspritzenteile
Reparatur Pumpen und Motoren
Wo finden Sie uns?
Kataloge
Messen
Wir über Uns
Über Rau Serta / Hydrokit
Vensys Gruppe
Service/Leistungen
Videos
Karriere
Kontakt
Startseite
Pumpen / Übersetzungsgetriebe
Ersatzpumpen
Handpumpen
Zahnradpumpen
Pumpen mit Getriebe
Getriebe
Kupplungen für Pumpen
Kolbenpumpen
Spül- und Speisedruckventile
Zahnradpumpen
HYDROKIT
Für LKWs
Standardpumpen
TUROLLA
HPI
Elastische Kupplungen / Flector-Typ
Kupplungen für Aggregate
Polyamid-Kronenkupplungen
Vorsatzlager
Landwirtschaftliche PTO-Pumpe
Vollbild
Vorheriges Bild
Nächstes Bild
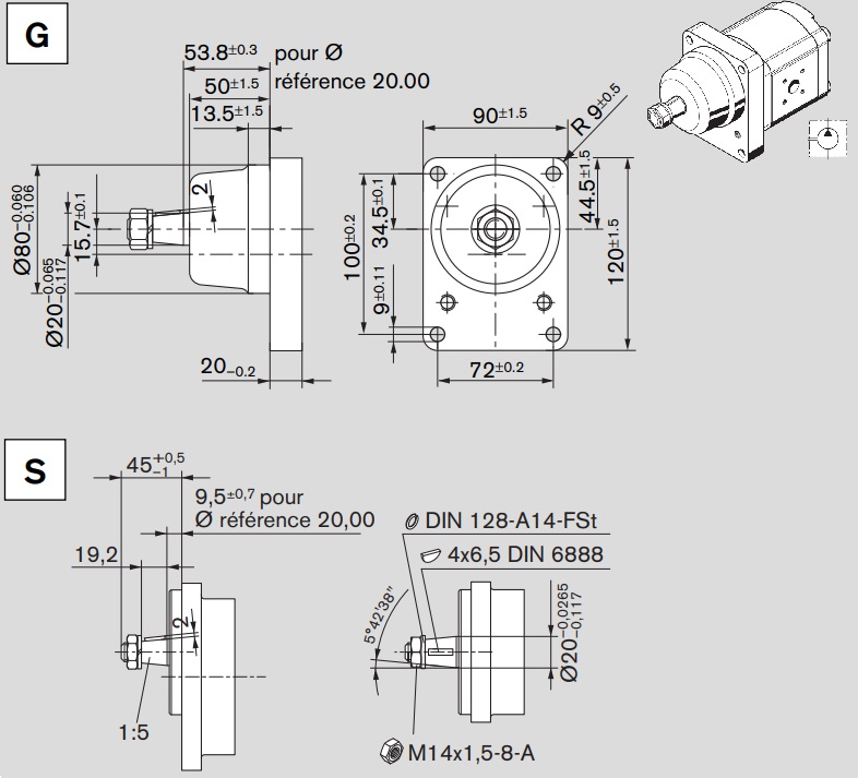
PPE GR2 16CC ROTD + CP 1/5 STD ALL
Artikel-Nr Rau Serta :
P216DZAABZB
drucken
teilen
+49 (0)7021/7377-0
Kontakt
Kontakt
schließen
Sie wollen sofort eine Antwort?
Kontaktieren Sie uns unter +49 (0)7021/7377-0
Um den Preis zu sehen
Ein Konto erstellen
oder
Technische Informationen
BOSCH PUMPE 0510645008 - AZPF-11-016RSG20PB-S0152
schließen
Teilen Sie dieses Produkt auf
Facebook
Linkedin
Mail
Abbrechen
schließen
Wird geladen ...