+33 (0) 251 344 528
Contact
Contact
Search
Our products
Menu
Close
Home
Agriculturaltest
Construction
Lorry and trailer
Environment
Pumps / multiplier gearboxes
Reservoirs
Filters
Heat exchangers
Hydraulic power units
Flow regulators
Accumulators
Pressure regulators
Spool valves
Safety valves
Hydraulic cylinders
High pressure components 700 bar
Hydraulic motors
Orbitrols
Adaptors
Electrical components
Workshop equipments
Hydroclips cases
Hydraulic hoses & inserts
Couplers / Multi-Couplers
High pressure cleaning equipment
Greasing components
Rotators
Special offers
Piston pump and motor repairs
On-site fitting
Our Locations
Catalogues
Shows
About Hydrokit
Our markets
Our company
Vensys Group
Services
Videos
Contact
Home
Hydraulic power units
GH1 power units
GH14 power units
Truck tipping body units GH10
Power unit for loading docks
Engine driven power packs
Modular hydraulic power units 1 to 3 independant flow rates, PTO driven
Standard snow plough kits with power packs
Trailer tipping power packs
Specific and tailor-made power packs
Power pack test centers for workshops
Emergency steering hydraulic power packs
GH14 power units
Standard version power pack
Body
Pumps
Reservoirs
Electric Motors
Bases and function modules
Bases and function modules
Full screen
Previous image
Next image
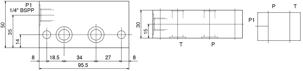
ENTRETOISE FLASQUABLE GH11 GH14
Hydrokit Part Number :
M46
Print
Share
+33 (0) 251 344 528
Contact
Contact
Close
Looking for an immediate reply?
Contact us on +33 (0) 251 344 528
To check price
Create an account
or
Technical information
Close
Share this product on
Facebook
Linkedin
Mail
Cancel
Close
Loading...