Hydraulikpumpe BG1 1,6 cm³
Artikel-Nr Rau Serta : P117D18BAS
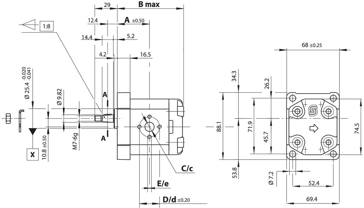
Technische Informationen
Hydraulikpumpe BG1- 1,7 cm³
- Drehrichtung: rechts
- Welle: Konus 1/8
- Flansch: 71,9x52,4 mm
Zentrierung: 25,4 mm
- Saug-/Druckanschlüsse: Raute 26x26 mm
- max. Drehzahl 5.000 U/min
- max. Betriebsdruck: 210 bar
Original Sauer
- Drehrichtung: rechts
- Welle: Konus 1/8
- Flansch: 71,9x52,4 mm
Zentrierung: 25,4 mm
- Saug-/Druckanschlüsse: Raute 26x26 mm
- max. Drehzahl 5.000 U/min
- max. Betriebsdruck: 210 bar
Original Sauer

technische Daten
| Baugröße | BG 1 | ||
| Hubraum | 1.7 | cm³/tr | |
| Drehrichtung | Rechts | ||
| Frontflansch | Italienisch | ||
| Art der Antriebswelle | Konisch | ||
| Maße der Antriebswelle | 1/8 | ||
| Flansch-Typ | Italienisch (Raute) | ||
| Cote orifice d'aspiration | 26x26 (Vis M5x100) | ||
| Cote orifice de refoulement | 26x26 (M5x100) | ||
| Marke | Sauer Danfoss / Turolla |