Fußsteuerung klein
Artikel-Nr Rau Serta : PHBC0522MK
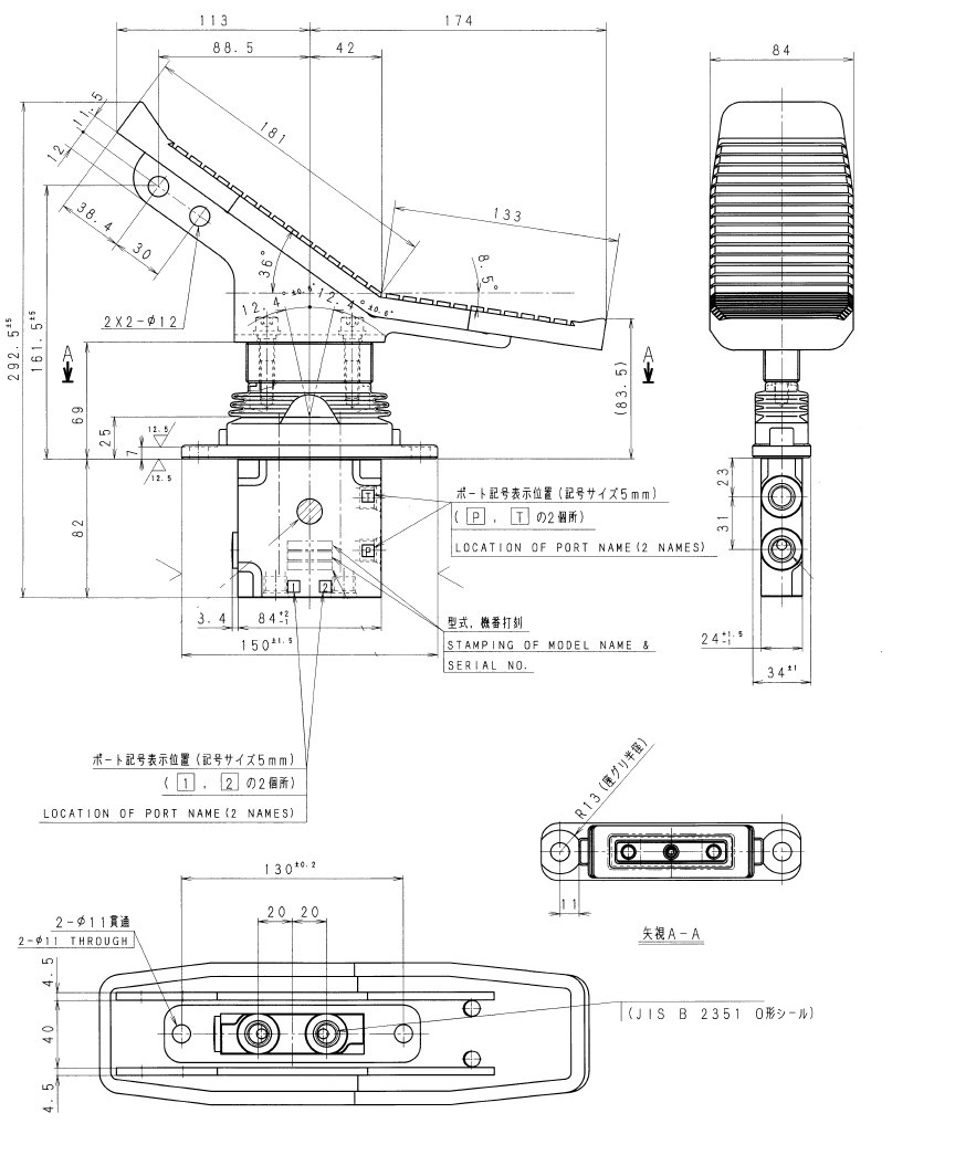
Technische Informationen
Fußpedalsteuerung
ohne Index
Ausgangsdruckbereich 5 bis 22 bar
Maximaler Eingangsdruck 69 bar
Anschlüße 1/4 JIS
ohne Index
Ausgangsdruckbereich 5 bis 22 bar
Maximaler Eingangsdruck 69 bar
Anschlüße 1/4 JIS
