VERIN ROTATIF HELAC L20-8.2 180°
Artikel-Nr Rau Serta : VRL20008MP180C
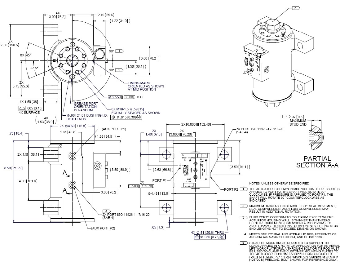
Technische Informationen
L20-8.2-M-FT-180-S1-C-H (Bohrung Flansch auf Ø 65mm)
mit angeflanschtem Ausgleichsventil
Antriebsdrehmoment bei 210 bar: 930 Nm
Haltemoment bei 210 bar: 2400 Nm
Ölvolumen für 180°: 234cm3
Kapazität des maximalen Moments :
-Überlappungsmoment: 4500 Nm.
-Moment bei Überhang: 2485 Nm.
Maximale Belastbarkeit:
-max. radiale Belastung: 2160Kg.
-maximale Axiallast (Schub): 680kg.
Gewicht: 17.2 Kg
mit angeflanschtem Ausgleichsventil
Antriebsdrehmoment bei 210 bar: 930 Nm
Haltemoment bei 210 bar: 2400 Nm
Ölvolumen für 180°: 234cm3
Kapazität des maximalen Moments :
-Überlappungsmoment: 4500 Nm.
-Moment bei Überhang: 2485 Nm.
Maximale Belastbarkeit:
-max. radiale Belastung: 2160Kg.
-maximale Axiallast (Schub): 680kg.
Gewicht: 17.2 Kg

