Hydraulikpumpe BG3
Artikel-Nr Rau Serta : P344D18GFS
Technische Informationen
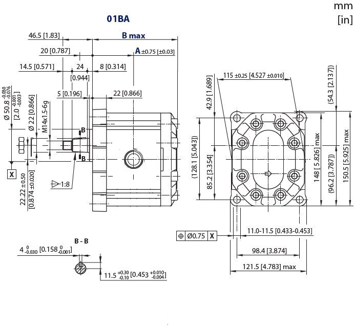
Hydraulikzahnradpumpe BG3 44cm³
- Drehrichtung: rechts
- Welle: Konus 1/8
- Flansch: 128,1x98,4mm
Zentrierung: D=50,8 mm
- Saug- und Druckanschlüsse : Gewinde 1" und 3/4"
Original Sauer
- Drehrichtung: rechts
- Welle: Konus 1/8
- Flansch: 128,1x98,4mm
Zentrierung: D=50,8 mm
- Saug- und Druckanschlüsse : Gewinde 1" und 3/4"
Original Sauer


technische Daten
| Baugröße | BG 3 | ||
| Hubraum | 44 | cm³/tr | |
| Drehrichtung | Rechts | ||
| Frontflansch | Italienisch | ||
| Art der Antriebswelle | Konisch | ||
| Maße der Antriebswelle | 1/8 | ||
| Flansch-Typ | Gewindebohrung | ||
| Cote orifice d'aspiration | 1" BSP | ||
| Cote orifice de refoulement | 3/4" BSP | ||
| Marke | Sauer Danfoss / Turolla |