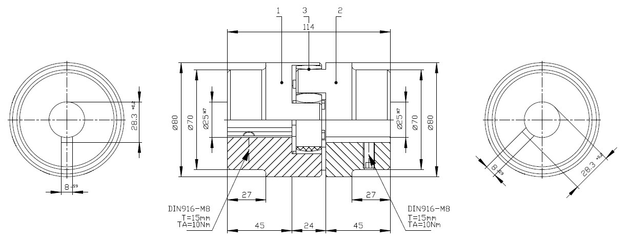
Accouplement élastique Ø25 - Ø25 - 7Kw
Référence Hydrokit : ACCD25D25
Informations techniques
Couple nominal 325Nm
Couple maxi 650Nm
vitesse maxi 9500tr/min
-Anneau élastique 98 Shore
-2 Moyeux acier Ø25mm claveté + taraudage latérale pour blocage d'arbre
Couple maxi 650Nm
vitesse maxi 9500tr/min
-Anneau élastique 98 Shore
-2 Moyeux acier Ø25mm claveté + taraudage latérale pour blocage d'arbre
