+49 (0)7021/7377-0
Contact
Kontakt
Suche
Unsere Produkte
Menü
schließen
Startseite
Lösungen für Landmaschinen
Lösungen für Baumaschinen
LKW Bausätze
Umweltschonung
Pumpen / Übersetzungsgetriebe
Ölbehälter
Filter
Wärmetauscher
Hydraulikaggregate
Stromregelung
Hydraulikspeicher
Druckregelung
Hydraulikventile
Sicherheitsventile
Hydraulikzylinder
Hochdruck-Komponenten
Hydraulikmotoren
Lenkeinheiten
Verschraubungen / Kupplungen
Elektrische Komponenten
Werkstattgeräte
Hydroclips Koffer
Schläuche und Armaturen
Kupplungen und Multikupplungen
Ausrüstungen für Hochdruckreiniger
Schmierung
Baltrotors Rotatoren
Öl
Schnäppchen!
Fragebogen
Feldspritzenteile
Reparatur Pumpen und Motoren
Wo finden Sie uns?
Kataloge
Messen
Wir über Uns
Über Rau Serta / Hydrokit
Vensys Gruppe
Service/Leistungen
Videos
Karriere
Kontakt
Startseite
Ölbehälter
Standardtanks
12 Liter
25 Liter
30 Liter
40 Liter
50 Liter
80 Liter
100 Liter
150 Liter
175 Liter
250 Liter
400 Liter
Tanks für GH1-Aggregate
Zubehör
Herstellung von Tanks nach Wunsch
Kippkompressoren
Tanks für GH14 Aggregate
Zubehör
Einfüllstutzen
Magnetische Ablassschrauben
Entlüftungsschrauben
Luftfilter mit Patrone für Behälter
Ölstandsanzeigen
Lufttrockner-Filter
Ersatzpatronen
Entlüftungsschrauben
Kunststoff
Messing
Metallisch mit Druck 0,35 Bar
Chromstahl
Kunststoff
Vollbild
Vorheriges Bild
Nächstes Bild
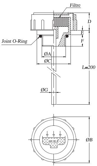
Entlüftungsschraube 1/2"
Artikel-Nr Rau Serta :
BR012GH
drucken
teilen
+49 (0)7021/7377-0
Kontakt
Kontakt
schließen
Sie wollen sofort eine Antwort?
Kontaktieren Sie uns unter +49 (0)7021/7377-0
Um den Preis zu sehen
Ein Konto erstellen
oder
Technische Informationen
Entlüftungsschraube 1/2"
60µ
schließen
Teilen Sie dieses Produkt auf
Facebook
Linkedin
Mail
Abbrechen
schließen
Wird geladen ...