RV20
Artikel-Nr Rau Serta : RV20
Produkt wurde ersetzt durch :
Kugelkopf mit Aussengewinde M20x1,5 ( RVM20 )
Technische Informationen
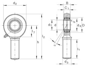
RV20 Kugelauge einschraubar in Hydraulikzylinder (Hydrostatische Lenkung) (Gelenkauge 20ES SKF)

Produkt wurde ersetzt durch :
Kugelkopf mit Aussengewinde M20x1,5 ( RVM20 )
